Buck电源芯片输出有问题?检查与优化

发布时间:2023-11-22 浏览次数:1529
1,供电

检查供电电压是否正确,是否稳定。

图片

2,电感

检查电感取值是否正确,饱和电流,温升电流是否留有余量,如若饱和电流和温升电流不够,可能存在电感饱和的风险。

图片

  1. 推荐使用2.2μH-22μH的电感,其饱和电流应大于LN10X61Q1的峰值电流限制ILIM-PK。电感值的大小决定了纹波电流的大小。电感值越大,纹波电流越小,在相同输出电容的情况下输出电压纹波也就越小;
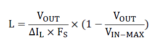
  2. 较小的电感值会带来大的纹波电流。我们推荐将纹波电流ΔIL控制在20%-40%额定输出电流之间,可得出电感的计算公式:

    图片

3.在高工作频率、高输入电压的应用下,系统可能会触发TON-MIN的限       制,此时的开关频率会发生变化,因此电感的选择同时也需要满足下列     公式:

图片


3,使能

检查使能管脚是否使能,芯片是否正常工作。需要看芯片数据手册,大多数芯片是高电平使能,有的也支持悬空EN,默认使能。

图片

4,反馈

检查反馈管脚电压是否正确,是否存在虚焊的情况,反馈电阻阻值是否焊接正确,反馈电阻取值是否太大或太小。

图片

一般芯片数据手册中会提供反馈电阻的推荐表,如果选取反馈电阻过大,可能导致输出电压不准,或者环路不稳定


5,自举电容

在有的同步整流降压电路中会看到自举电容(上管NMOS才会用到自举电容),如果自举电容焊接不良,或者自举电容容值太小(一般0.1uf~1uf按数据手册来就可以,6.3V以上的陶瓷电容,再或者占空比太大导致自举电容充电不足以让上管NMOS导通,都会引起输出异常。

图片6,布线推荐

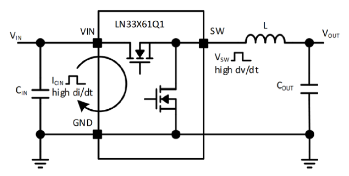
开关电源的性能与PCB布线息息相关。LN10361Q1在管脚的位置的分配上充分考虑了PCB布线上的优化需求,比如VIN和GND管脚在相邻的位置,方便放置VIN旁路电容。
如下图所示,降压型开关电源的输入端电流有着很高的di/dt变化率,这部分电流在暂态变化时由VIN管脚流入芯片,经上桥臂开关管,经下桥臂开关管,从GND管脚流出芯片。在离VIN和GND管脚最近的地方放置高频旁路电容,从而降低这个电流环路的衍生电感,是提高开关电源性能和降低EMI污染的最有效的办法。
另外SW上的电压有着很高的dv/dt变化率,所以在制作PCB版图时,要尽量缩短SW走线;敏感的信号线要避免离SW过近。

图片

    为了达到最佳的工作效率、散热和EMI性能,我们建议在PCB布线上,遵循以下基本规则。

1. 高频旁路陶瓷电容CIN至关重要,需要将它们放在LN10361Q1的VIN和GND管脚附近,尽量减小高频输入电流的回路面积;根据滤波需求,如果需要多个输入电容,把小封装(比如0603)的陶瓷电容放置在离管脚最近的地方,可以有降低高频噪音的最佳效果;

2. VIN、VOUT和GND的大电流回路采用尽量宽且短的连线;

3. VCC的旁路电容布置要靠近管脚,并且用尽量短的连线回到芯片的GND管脚;

4. 推荐使用4层板,顶层和底层采用2oz铜厚,中间层采用1oz铜厚。LN10361Q1的散热焊盘通过阵列过孔的形式连接到每一层。并将第一个中间层作为地层,可以同时起到散热和屏蔽的作用;各层都采用尽量大的GND覆铜,达到充分散热的效果;

5. SW网络包含大量高频噪音,因此管脚的连线需尽量短,同时也要有足够的宽度导通电流;

——————————————————————————————

开发能力:

图片

服务:

                   图片

【返回上页】 【打印本页】
上一篇:无